Ibanez Wiki

Don't like ads? Log in! (it's free)

READ MORE

Ibanez Wiki
SA420X DR
SA420X Deep Red (more images) Red copyright sprite

The SA420X is an SA series solid body electric guitar model introduced by Ibanez for 2002. It is one of only a small handful of models in the SA series that was made in Japan by FujiGen.

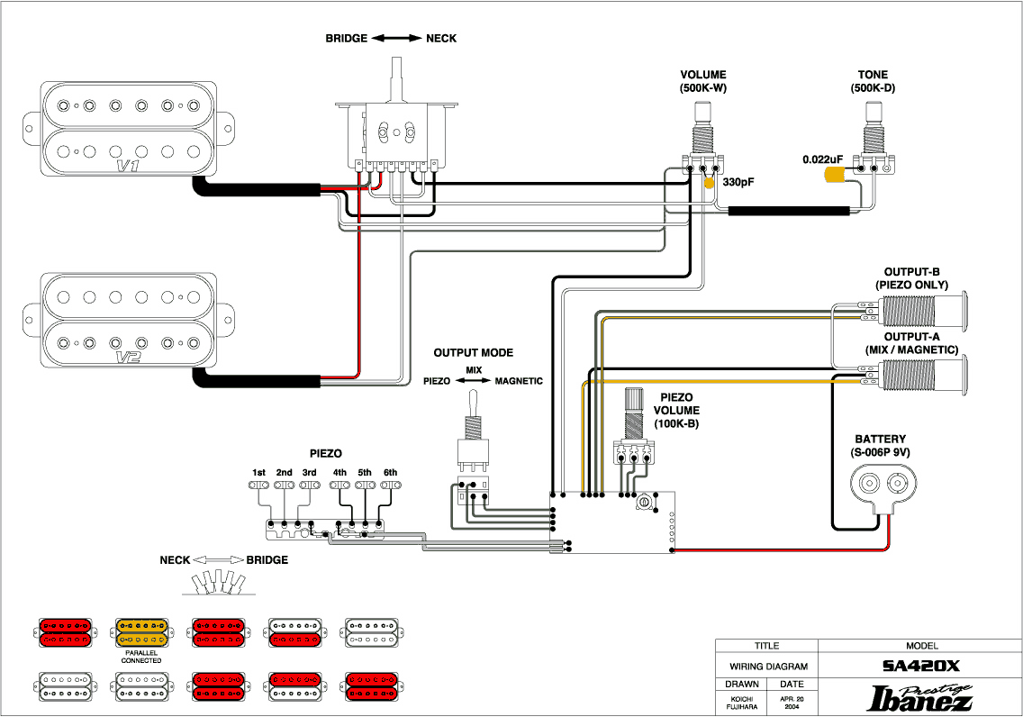
The most notable feature of the SA420X is the SAT30SX (a.k.a. Double SAT) non-locking synchronized tremolo bridge with integrated piezo pickups which can offer an acoustic sound. It has a sculpted mahogany bolted to a maple neck with a 22-fret rosewood fingerboard with white dot position markers. Other components include dual Ibanez Vintage humbucking pickups and Gotoh tuning machines.

Controls consist of a volume, tone and 5-way selector for the magnetic pickups, a separate volume for the piezo pickups and a 3-way toggle to select the output: piezo, mixed, or magnetic. The piezo pre-amp requires a 9V battery. Two output jacks allow you to separate the piezo from the magnetic/ mixed output.

The SA420X was discontinued after 2004. A quite similar model, the SA320X was introduced in 2004.

Specifications[]

Related content: SA series | S series | Models-icon
'
Model name: SA420X
Year(s) offered: 2002–2004
Sold in: USA / Europe / Japan
Made in: Japan
Finish(es): Antique Violin (AV) 2003–2004 / Deep Red (DR) / Galaxy Black (GK) 2003–2004
Body
Body type:
Solid body
Body material:
Mahogany
Neck joint:
Bolt-on
Bridge:
SAT30SX (Double SAT) tremolo
Knob style:
Beehive (Black)
Hardware color:
Chrome
Neck
Neck type:
Ultra
Neck material:
1-piece maple
Scale length:
648mm/ 25½"
Fingerboard material:
Rosewood
Fingerboard inlays:
White dot
Frets:
22 / jumbo
Nut:
Black plastic (43mm)
Machine heads:
Gotoh SG381
Factory tuning:
1E,2B,3G,4D,5A,6E (E Std.)
Electronics
Pickup configuration:
HH + piezo
Bridge pickup:
Ibanez V2 (H)
Neck pickup:
Ibanez V1 (H)
Controls:
Mag. pickups: Master volume / master tone / 5-way lever pickup selector
Piezo: Volume
Mixed output selection: 3-way toggle
Battery:
9V

Images[]

Additional finishes/ details
SA420X AV
Antique Violin
SA420X GK
Galaxy Black
HH 5-way parallel-neck
Magnetic pickup switching diagram
SA420X wiring diagram
Wiring diagram

Sources[]