Ibanez Wiki

Don't like ads? Log in! (it's free)

READ MORE

Ibanez Wiki
SA320X MBK
SA320X Metallic Black (more images) Red copyright sprite

The SA320X is an SA series solid body electric guitar model introduced by Ibanez in 2004. It was produced in South Korea.

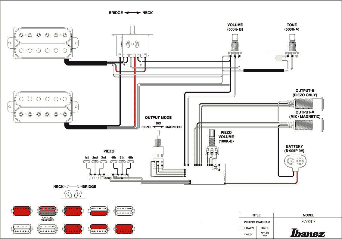
The most notable feature of the SA420X is the SAT30SX (a.k.a. Double SAT) non-locking synchronized tremolo bridge with integrated piezo pickups which can offer an acoustic sound. It has a sculpted mahogany bolted to a maple neck with a 22-fret rosewood fingerboard with white dot position markers. Other components include dual Ibanez Axis humbucking pickups.

Controls consist of a volume, tone and 5-way selector for the magnetic pickups, a separate volume for the piezo pickups and a 3-way toggle to select the output: piezo, mixed, or magnetic. The piezo preamp requires a 9V battery. Two output jacks allow you to separate the piezo from the magnetic/ mixed output.

The SA420X is a similar model which was made in Japan and has slightly different components.

The SA320X was discontinued after 2005.

Specifications[]

Related content: SA series | S series | Models-icon
'
Year(s) offered: 2004–2005
Sold in: Worldwide
Made in: South Korea
Finish(es): Metallic Black (MBK) / Weathered Burgundy (WBY) 2004
Body
Body type:
Solid body
Body material:
Mahogany
Neck joint:
Bolt-on
Bridge:
SAT30SX (Double SAT) tremolo
Knob style:
Knurled metal dome
Hardware color:
Satin chrome
Neck
Neck type:
SA
Neck material:
3-piece maple
Scale length:
648mm/ 25½"
Fingerboard material:
Rosewood
Fingerboard inlays:
White dot
Frets:
22 / jumbo
Nut:
Black plastic (42mm)
Machine heads:
Ibanez die-cast
Electronics
Pickup configuration:
HH + piezo
Bridge pickup:
Ibanez AH4 (H)
Neck pickup:
Ibanez AH3 (H)
Controls:
Mag. pickups: Master volume / master tone / 5-way lever pickup selector
Piezo: Volume
Mixed output selection: 3-way toggle
Battery:
9V

Images[]

Additional finishes/ details
SA320X WBY
Weathered Burgundy
HH 5-way parallel-neck
Magnetic pickup switching diagram
SA320X wiring diagram
Wiring diagram

Sources[]