Ibanez Wiki

Don't like ads? Log in! (it's free)

READ MORE

Ibanez Wiki
For other S540/540S variants, see 540S (disambiguation).
1993 S540 OL
S540 Oil finish (more images) Red copyright sprite

The S540 is an S series solid body electric guitar model introduced by Ibanez in 1993. It is carried over from the US-only 1992 540S and replaces the earlier 540S model.

Notable new features of the S540 include the maple (rather than rosewood) fingerboard with a new style of inlays, an All Access Neck Joint and the HSH pickup configuration. Other features include a mahogany body, a maple Wizard neck and the Lo-Pro Edge tremolo with a locking nut.

The original 540S was offered in 1992 alongside two variants with names which adhere to the modern "series name + model number" format, the S540FM (with flamed maple top) and S540BM (with burl mahogany top).[1] The new naming convention was adopted in late 1992 for the complete S series line including the S540. Even so the old naming style continued on through 1994 for the related Radius series model, the 540R.

The S540-7 is a seven-string variant.

Specifications[]

Related content: S series | Models-icon
Specifications for S540
Model name: S540
Year(s) offered: 1993–1994
Sold in: USA
Made in: Japan
Finish(es): Cayman Green (CG) 1994 / Jade Metallic (JM) 1993 / Oil (OL)
Body
Body type:
Solid body
Body material:
Mahogany
Neck joint:
AANJ
Bridge:
Lo-Pro Edge tremolo (10.8mm string spacing)
Hardware color:
Cosmo black
Neck
Neck type:
Wizard
Neck material:
1-piece maple
Fingerboard material:
Maple
Fingerboard inlays:
Abalone oval w/ 'Custom Made' inlay on 21st fret
Frets:
22 / jumbo
Machine heads:
Gotoh SG38
String gauge (factory):
.009/.011/.016/.024/.032/.042
Factory tuning:
1E,2B,3G,4D,5A,6E (E Std.)
Electronics
Pickup configuration:
HSH
Bridge pickup:
1992–1993: IBZ/USA F2 (H)
1994: Ibanez QM2 (H)
Middle pickup:
1992–1993: IBZ/USA C3 (S)
1994: Ibanez QMS1 (S)
Neck pickup:
1992–1993: IBZ/USA F1 (H)
1994: Ibanez QM1 (H)
Controls:
Master volume / master tone / 5-way lever pickup selector
Output jack:
¼" stereo barrel (angled face mount)

Images[]

Other available finishes
S540 JM
Jade Metallic
1994 S540 CG
Cayman Green
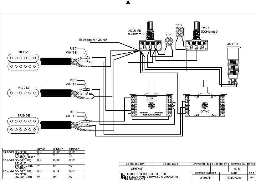
Wiring-diagram 1994 JEM777-S540
Wiring diagram 1993[2]
Wiring-diagram 1994 S-series HSH
Wiring diagram 1994[3]

Sources[]

  1. 1992 Japan catalog (page 13).
  2. S540 wiring diagram, Ibanez, archived February 2003
  3. SF470 wiring diagram, Ibanez USA, archived April 2003