Ibanez Wiki

Don't like ads? Log in! (it's free)

READ MORE

Ibanez Wiki
RG3120 Twilight Blue (2003) (more images)

The RG3120 is an RG series solid body electric guitar model introduced by Ibanez in 1997. It was made in Japan by FujiGen as one of the first models introduced in the upscale Prestige line, after the 1996 RG3070 and along with the RG3180.

The RG3120 features a mahogany body with a thick flamed maple top bolted to a maple Wizard neck with a 24-fret rosewood fingerboard. Components include dual DiMarzio humbucking pickups, a double locking tremolo bridge and Gotoh tuning machines. The initial 1997 version had an Air Norton humbucker at the bridge, a Lo Pro Edge tremolo and centered pearl dot fretboard markers with a Prestige plaque at the 24th fret. For 1998, a PAF Pro was swapped for the Air Norton, the position markers were offset and the Prestige plaque was discontinued. For 2003, the newly designed Edge Pro tremolo replaced the Lo Pro Edge.

The 1999 J Custom RG-PAINT3 and RG-PAINT4 models were based on the RG3120 as was the PRM1X, which is a signature model for Patrick Rondat.

The RG3120L is a left-handed version. The RG3220 is a similar model with a quilted maple top. The RG3180 is a similar model with a middle single coil pickup. The RG5-150 is a spot model predecessor which was a related guitar with a Wizard II neck and maple fretboard.

The RG3120 was discontinued after 2003. A slightly updated version returned for 2005 as the RG3120F.

Specifications[]

Related content: Prestige series | RG series |
Specifications for RG3120
Model name: RG3120
Year(s) offered: 1997–2003
Sold in: Worldwide (except Japan)
Made in: Japan
Finish(es): Deep Red (DR) 2002 / Silky Black (SLK) 1997 / Twilight Blue (TW) 1998–2003 a.k.a. Vivid Blue (VB) / Vintage Violin (VV) 1999–2002
Body
Body type:
Solid body
Body material:
Mahogany w/ flamed maple top w/ binding
Neck joint:
AANJ
Bridge:
1997–2002: Lo-Pro Edge tremolo
2003: Edge Pro tremolo
Knob style:
Knurled metal dome
Hardware color:
Powder cosmo
Neck
Neck type:
Wizard
Neck material:
3-piece maple
Scale length:
648mm/ 25½"
Fingerboard material:
Rosewood
Fingerboard inlays:
1997: Pearl dot w/ Prestige plaque at 24th fret
1998–2003:Offset abalone dot
Frets:
24 / jumbo
Nut:
Top-Lok III
Machine heads:
Gotoh SG38
Electronics
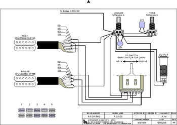
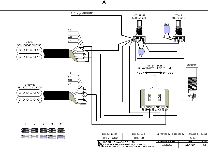
Pickup configuration:
HH
Bridge pickup:
DiMarzio Tone Zone (H)
Neck pickup:
1997: DiMarzio Air Norton (H)
1998-2003: DiMarzio PAF Pro (H)
Controls:
Master volume / master tone / 5-way lever pickup selector

Images[]

Additional finishes/ details
Deep Red
Silky Black
Vintage Violin
DiMarzio pickups
Controls layout
Pickup switching diagram
Wiring diagram (1997)
Wiring diagram (2001)

Video[]

Ibanez_Prestige_RG3120_TW_Twilight_Blue_Flame_Top_Mahogany_Body_MIJ_Guitar_Video
2000 Ibanez Prestige RG3120-TW ( Review by Essex Recording Studios )


Sources[]