| RG2120X Transparent Light Blue 2004 (more images) |
The RG2120X is an RG series solid body electric guitar model introduced by Ibanez for 2002. It was made in Japan by FujiGen as part of the upscale Prestige line.
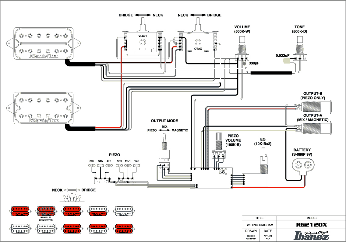
The RG2120X features a mahogany body bolted to a maple neck with a 24-fret rosewood fingerboard with small offset position markers only at the 12th fret. Components include a pair of humbucking pickups, a double locking tremolo bridge with L.R. Baggs active piezo pickup saddles which offer an acoustic-like tone, Gotoh tuning machines and Gotoh Free-Lock II strap locks.
Controls consist of a volume, tone and 5-way selector for the magnetic pickups plus a separate volume and 2-band EQ for the piezo along with a 3-way toggle for selecting magnetic pickup only, piezo only or mixed output.
For 2003 the Double Lo Pro Edge tremolo was replaced with the new Double Edge Pro and the pickups were changed.
The RG2120K is a related model with a koa top and without the piezo pickups.
The RG2120X was discontinued after 2004. In 2005, a somewhat simpler piezo-equipped model was introduced as the RG1820X.
Specifications[]
| |||||||||||||||||||||||||||||
|
|
| |||||||||||||||||||||||||||
Images[]
Sources[]
- 2002 USA catalog (page 6)
- 2003 Europe catalog (page 7)
- RG2120X product page, Ibanez USA, archived June 2004





