Ibanez Wiki

Don't like ads? Log in! (it's free)

READ MORE

Ibanez Wiki
For other AR300 versions, see AR300 (disambiguation).
RAR300BM Natural

The RAR300BM is an Artist series solid body electric guitar model introduced by Ibanez in 1996. It is essentially a reissue of the original AR305 from the 1980s. This version was made in Japan by Terada and was produced for sale exclusively by Japanese retailer Rock Inn. It was also referred to as simply the RAR300.

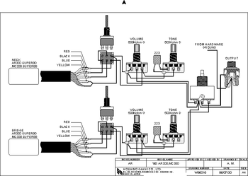
The RAR300BM features a burl mahogany top with binding on a double cutaway mahogany body mated to a set-in hard maple neck with a 22-fret ebony fingerboard with binding and pearl and abalone block position markers. Components include a Gibraltar Tune-o-matic style fixed bridge with a recessed sustain block; a Quik Change tailpiece with "cloud" ornament; a pair of Ibanez Super 80 humbucking pickups with individual volume and tone controls and tri-sound switches which offer parallel, series and coil-split tone options; a Half & Half bone and brass nut; Sure Grip II knobs; and Gotoh tuning machines with white pearloid buttons.

The AR300 is a similar model with a flamed maple top

The RAR300BM was offered only in 1996 and it is believed that only 20–24 examples were produced.

Specifications[]

Related content: Artist series |
Specifications for RAR300BM
Year(s) offered: 1996
Sold in: Japan
Made in: Japan
Finish(es): Natural (NT)
Body
Body type:
Solid body
Body material:
Mahogany w/ burl mahogany top
Neck joint:
Set-in w/ smooth heel
Bridge:
Gibraltar fixed w/ sustain block
Tailpiece:
Quik Change w/ "cloud" ornament
Knob style:
Sure Grip II
Hardware color:
Gold
Neck
Neck type:
Original Classic
Neck material:
3-piece hard maple
Scale length:
628mm/ 24¾"
Fingerboard material:
Ebony w/ binding
Fingerboard inlays:
Pearl & abalone split block
Frets:
22 / regular
Nut:
Half & half (bone/ brass)
Machine heads:
Gotoh w/ white pearloid buttons
String gauge (factory):
.010/.013/.017/.026/.036/.046
Factory tuning:
1E,2B,3G,4D,5A,6E (E Std.)
Electronics
Pickup configuration:
HH
Bridge pickup:
Ibanez Super 80 (H)
Neck pickup:
Ibanez Super 80 (H)
Controls:
Two volumes / two tones / 3-way toggle pickup selector / 2 tri-sound switches
Output jack:
¼" mono

Images[]

Additional details
Pickup switching diagram
Control layout
Wiring diagram
November '96 ad from Player magazine[1]

Sources[]

  1. RAR300BM advertisement, Our AR's (Artist Registry), archived January 2008