Ibanez Wiki

Don't like ads? Log in! (it's free)

READ MORE

Ibanez Wiki
JS700
JS700 Transparent Red (more images) Red copyright sprite

The JS700 is a solid body electric guitar model introduced by Ibanez in 1996. It is a signature model of American guitarist Joe Satriani and part of Ibanez' Joe Satriani series (JS series). It is the fourth hard-tail JS model, after the JS6, JS600 and JS6000. The JS700 was produced simultaneously in Japan as well as in South Korea, with mostly the same parts.

The JS700 has a mahogany body with mahogany neck, both rare features for a JS model. Other features include Korean made Sky P90 pickups and a Short Stop II bridge.

The JS700 was available in the USA until 1999. It was produced for other markets until it was replaced by the JS2000 in 2002.

Specifications[]

Specifications for JS700
Model name: JS700
Year(s) offered: 1996–2001
Sold in: Worldwide
Made in: Japan/ South Korea
Finish(es): Transparent Red (TR)
Body
Body type:
Solid body
Body material:
Mahogany
Neck joint:
Tilt Joint
Bridge:
Short Stop II
Hardware color:
Chrome
Neck
Neck type:
JS
Neck material:
1-piece mahogany
Fingerboard material:
Rosewood
Fingerboard inlays:
Pearl dot w/ Joe Satriani inlay on 21st (Korea) or JS Custom inlay on 21st (Japan)
Frets:
22 / medium
Machine heads:
Ibanez die-cast
String gauge (factory):
.010/.013/.017/.026/.036/.046
Factory tuning:
1E,2B,3G,4D,5A,6E (E Std.)
Electronics
Pickup configuration:
SS
Bridge pickup:
Sky P90B (S)
Neck pickup:
Sky P90N (S)
Controls:
Master volume / master tone / 3-way toggle pickup selector

Images[]

Additional details
JS700 Body
Front of Body
JS700 Rear
Rear of Body
JS700 Headstock
Headstock
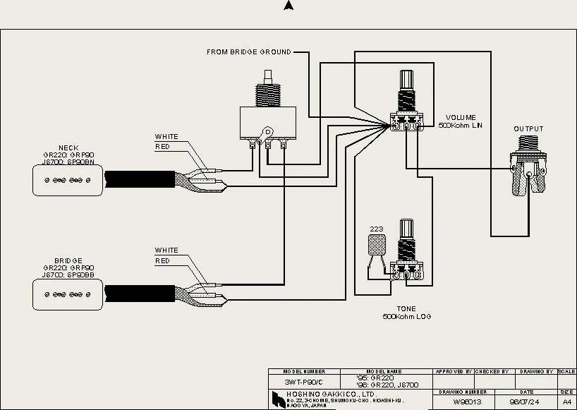
Wiring-diagram 1995 GR220
Wiring diagram[1]

Sources[]

  1. JS700 wiring diagram, Ibanez, archived April 2003